可能很多人对VOC不是很了解,甚至可以说是陌生的。虽然这几个字母看起来有点高端,但是这个实实在在的是一种危险的气体。VOC是挥发性有机化合物(volatile organic compounds)的英文缩写。普通意义上的VOC就是指挥发性有机物;但是环保意义上的定义是指活泼的一类挥发性有机物,即会产生危害的那一类挥发性有机物。这种气体是极容易挥发的,如果处理不好,会对环境产生极大的威胁。

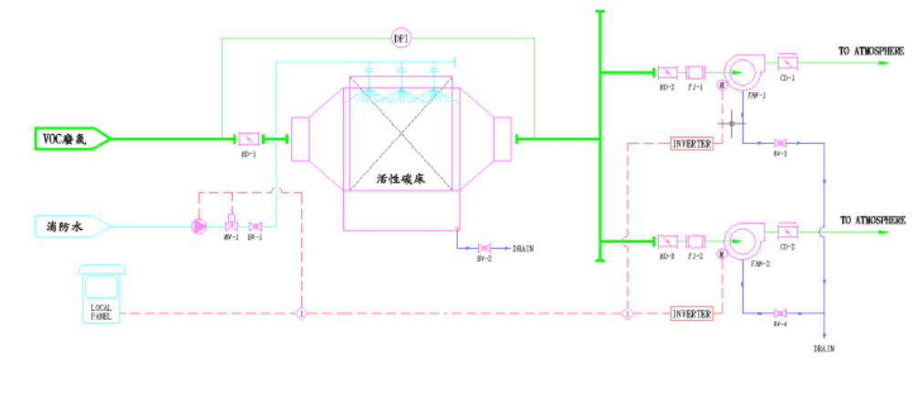
VOC气体被活性炭吸附之后,就不会排到空气当中。不仅不会发生火灾意外,也可以对我们的环保事业贡献一份自己的力量。但是,企业总是希望减少成本支出的,所以活性炭的再生变得尤为重要。这样可以为企业减少很大一部分的开支。试想,你的对手公司使用活性炭均为一次性的,活性炭用一次就无法继续吸附,只能把这些饱和活性炭扔掉,重新购买。但是你公司有了这个再生炉之后,这些饱和活性炭只需要再炉体中运行一圈,饱和活性炭就变成在生活性炭,这些再生活性炭的吸附功能可以达到新活性炭的80%-90%,这样节约了多少多少的支出!